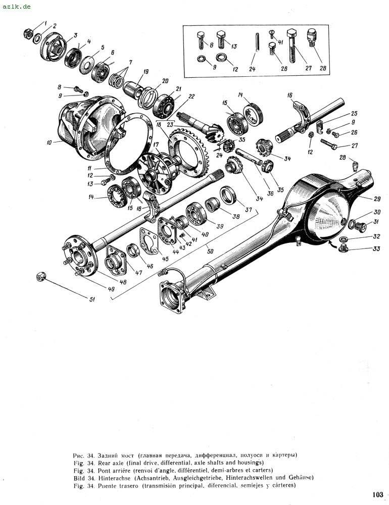
zurück blätternweiter blättern

Seite 102